Трансформатор струје ЦТ
Електрични Цт струјни трансформатор од ливеног смоле
  • Електрични Цт струјни трансформатор од ливеног смолеЕлектрични Цт струјни трансформатор од ливеног смоле
  • Електрични Цт струјни трансформатор од ливеног смолеЕлектрични Цт струјни трансформатор од ливеног смоле

Електрични Цт струјни трансформатор од ливеног смоле

Вензхоу КсиФа Елецтриц Повер Екуипмент Цо., Лтд је професионална производња за производњу електричних цт трансформатора струје ливеног од смоле где се примењује у електричним разводним уређајима од 10 кв до 35 кв. У Вензхоу КсиФа, тим за производњу излива епоксидну смолу у вакуумском окружењу како би уклонио мехуриће са стране струјног трансформатора и спречио делимично пражњење на површини. У међувремену, електрични трансформатор струје цт од смоле је дизајниран као вишеслојна изолациона структура како би се постигле боље перформансе на напонској отпорности и дуготрајној стабилности.

Електрични цт трансформатор струје ливени од смоле је унутрашња јединица од епоксидне смоле, вакуумско ливена, дизајнирана за системе напајања напонског нивоа од 10 кв са називном фреквенцијом од 50 Хз. Првенствено се користи за мерење струје, мерење енергије и заштитне релеје.

Електрични цт струјни трансформатор од ливеног смоле усваја потпуно затворен процес ливења од епоксидне смоле, у којем је језгро направљено од висококвалитетног магнетног материјала, а примарни и секундарни намотаји заједно са језгром су уграђени у смолу. Ова конструкција пружа одличне перформансе у погледу изолације, отпорности на влагу и отпорности на загађење. Површина електричног цт трансформатора струје ливеног од смоле не захтева додатни премаз, а струјни трансформатор се може инсталирати на више позиција.

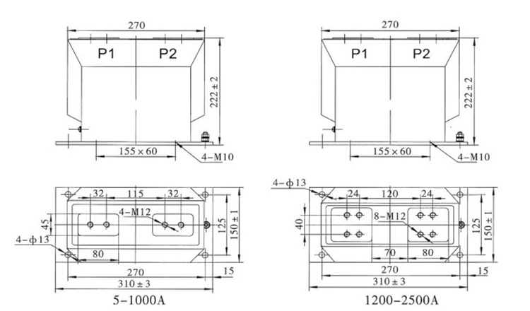
Опсег обухвата и мерне класе, као што су 0,2С и 0,5С, и класе заштите, као што су 10П10 и 10П20. Дизајн са више пропорција је доступан на електричном трансформатору струје ливеног од смоле, како би био погодан за употребу у електричним плочама обложеним металом.

Resin Cast Electrical Ct Current TransformerResin Cast Electrical Ct Current Transformer

Техничка спецификација:

Тип Примарна називна струја (А) Класа тачности Класа тачности и називни излаз цосΦ=0,8 Термална струја краткотрајног времена (кА/С) Називна динамичка струја (кА)
0.2 (с) 0,5 (с) 10П10 10П15 10П20
ЛЗЗБЈ9-10 5-150 0,2с/0,5 0,2с/10П 0,2/10П 0,5с/10П 0,5/10П 10 10 15 15 10 100И1н 250И1н
200-300 31.5 80
400-500 45 112
600-1000 63 130
1200-1500 80 160
2000-2500 100 180

Resin Cast Electrical Ct Current Transformer

Честа питања о производу:

П: Које техничке параметре треба проверити када бирате електрични трансформатор струје цт?

О: следећи кључни параметри ће се проверити приликом избора:

1. Класа тачности: За мерење/мерење (нпр. 0,2с или 0,5) и заштитне сврхе (нпр. 10П10, 5П10, итд.).

2. Називна примарна струја и секундарна струја (однос трансформације).

3. Краткотрајна топлотна струја (Итх) и отпорност струје кратког времена (за услове квара).

4. Нивои изолације (издржљивост напона, називни импулсни напон, итд.).

5. Толеранције животне средине: Температурни опсег, надморска висина, влажност, ниво загађења.

6.Терет: ВА оптерећење које секундар мора да покреће без нарушавања тачности.

П: У којим окружењима или применама су електрични трансформатори струје ливени од смоле посебно погодни?

О: следеће окружење или апликација су погодни за електрични цт струјни трансформатор од смоле:

1.Унутарњи разводни уређај, где је простор ограничен и изолација је кључна.

2. У тешким или загађеним срединама (прашина, влага, хемикалије) где би отворени делови или уље могли да се разграде.

3. У мерним и заштитним круговима који захтевају стабилно, тачно мерење током дугих периода.

4. Примене где су ниско одржавање и висока поузданост важни.

Хот Тагс: Добављач струјних трансформатора од ливеног смоле, произвођач електричних ЦТ трансформатора, велепродаја ЦТ трансформатора по мери
Пошаљи упит
Контакт информације
  • Адреса

    бр. 391, Јингки Роад, Ианпан Индустриал Зоне, Иуекинг Цити, Зхејианг Провинце, Кина

  • Е-маил

    info@xifaele.com

Да бисте добили понуду што је пре могуће

КсиФа-ваш поуздан добављач електричне опреме
X
Користимо колачиће да бисмо вам понудили боље искуство прегледања, анализирали саобраћај на сајту и персонализовали садржај. Коришћењем овог сајта прихватате нашу употребу колачића. Политика приватности
Одбити Прихвати