Потенцијални трансформатор ПТ
13,8 Кв једнофазни потенцијални трансформатор у трафостаници
  • 13,8 Кв једнофазни потенцијални трансформатор у трафостаници13,8 Кв једнофазни потенцијални трансформатор у трафостаници

13,8 Кв једнофазни потенцијални трансформатор у трафостаници

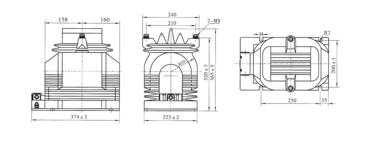
За производњу поузданог 13,8 кв монофазног потенцијалног трансформатора у подстаници, Вензхоу КсиФа Елецтриц Повер Екуипмент Цо., Лтд усваја врхунски ЦРГО електрични челик као главни материјал језгра како би смањио вредност губитака и побољшао класу тачности, и емајлирану бакарну жицу високе чврстоће као главни материјал намотаја како би се обезбедио однос завоја ветра и преокретања до окретања. Штавише, сваки 13,8 кв монофазни потенцијални трансформатор у трафостаници усваја производни процес вакуумског ливења од епоксидне смоле како би направио укупну чврсту структуру која није лако апсорбовати влагу, што је погодно за врућа, влажна и прашњава окружења.

Карактеристике производа:

Једнофазни потенцијални трансформатор од 13,8 кв у трафостаници је дизајниран да снизи примарни напон од 13,8 кв на стандардни секундарни напон, као што је 100 или 110 волти. Смањени напон се затим доводи до паралелних намотаја за мерење инструмената и заштитних релеја, омогућавајући индиректно мерење примарног напона помоћу нисконапонских инструмената. Такав приступ поједностављује дизајн инструмента, штеди трошкове и осигурава сигурност опреме и оперативног особља.


Принцип рада монофазног потенцијалног трансформатора од 13,8 кв је исти као и трансформатора за дистрибуцију енергије, чији је однос трансформације одређен бројем завоја у примарном и секундарном намотају. Повећањем броја секундарних завоја смањује се однос, док се повећањем броја примарних повећава. Важно је напоменути да ни у ком случају секундарно коло 13,8 кв једнофазног потенцијалног трансформатора не би требало да буде кратко спојено током рада.

13 8 Kv Single Phase Potential Transformer In Substation

Техничка спецификација:

Тип Однос номиналног напона (кВ) Класа тачности Класа тачности и називни излаз цосΦ=0,8 Тхе Мак. Излаз (ВА)
0.2 0.5 1 6(П)
ЈДЗ11-15 (15/√3)/(0,1/√3)/(0,1/3) 0,2/6П 0,5/6П 1/6П 30 80 150 100 400
ЈДЗ11-20 (20/√3)/(0,1/√3)/(0,1/3)
ЈДЗ11-15 (15/√3)/(0,1/√3)/(0,1/√3)/(0,1/3) 0,2/0,2/6П 0,2/0,5/6П 15 20 Н/А 100 2*200
ЈДЗКС11-20 (20/√3)/(0,1/√3)/(0,1/√3)/(0,1/3)

13 8 Kv Single Phase Potential Transformer In Substation

Честа питања о производу:

П: Како се 13,8 кв монофазни потенцијални трансформатор разликује од трансформатора снаге 13,8 кв?

О: Иако су оба уређаја за претварање напона, једнофазни потенцијални трансформатор од 13,8 кв је дизајниран за мерење и заштиту, а не за пренос снаге. Његово називно оптерећење је релативно мало, обично се изражава у ВА, док енергетски трансформатори подносе оптерећења веће вредности која се рачуна у кВА или МВА.


П: Које методе изолације се користе на 13,8 кв монофазном потенцијалном трансформатору?

О: Већинапотенцијални трансформаторина овом нивоу напона користите ливену изолацију од епоксидне смоле за унутрашњу употребу или кућишта од порцелана/силикона за спољне инсталације. Неки дизајни користе изолацију потопљену у уље како би се постигао продужени радни век и већи топлотни капацитет.


П: Како 13,8 кВ монофазни потенцијални трансформатор треба да буде повезан у трафостаници?

О: За мерење фаза-земља, ПТ примарни је повезан између једне фазе и уземљења. У трофазном систему, сет једнофазних ПТ или трофазних ПТ јединица се може користити за мерење напона линија-вод и вод-земља.


П: Који проблеми могу настати са 13,8 кВ монофазним потенцијалним трансформаторима у подстаницама?

О: Уобичајени проблеми укључују деградацију изолације, ферорезонанцију под одређеним условима укључивања, прегревање услед преоптерећења и услове отвореног секундарног кола који могу изазвати опасно високе напоне.



Хот Тагс: 13,8 Кв једнофазни потенцијални трансформатор у добављачу трафостанице, велепродаја трансформатора потенцијала подстанице
Пошаљи упит
Контакт информације
  • Адреса

    бр. 391, Јингки Роад, Ианпан Индустриал Зоне, Иуекинг Цити, Зхејианг Провинце, Кина

  • Е-маил

    info@xifaele.com

Да бисте добили понуду што је пре могуће

КсиФа-ваш поуздан добављач електричне опреме
X
Користимо колачиће да бисмо вам понудили боље искуство прегледања, анализирали саобраћај на сајту и персонализовали садржај. Коришћењем овог сајта прихватате нашу употребу колачића. Политика приватности
Одбити Прихвати